Crane Hoist Brake

If you need anything, feel free to contact us anytime.
crane hoist brake assembly crane-hoist-brake-system crane-hoist-brake overhead-crane-hoist-brake

Crane Hoist Brake

The crane hoist brake is a key safety component that ensures stable lifting and precise load control in every operation. It combines high braking torque, fast response, and reliable performance, even under heavy-duty working conditions. Designed for overhead crane brake mechanisms and EOT crane hoist brakes, it prevents accidental load drops and guarantees safe stopping. The compact design and advanced materials make the crane hoist brake system durable, low-maintenance, and adaptable to various industrial cranes.

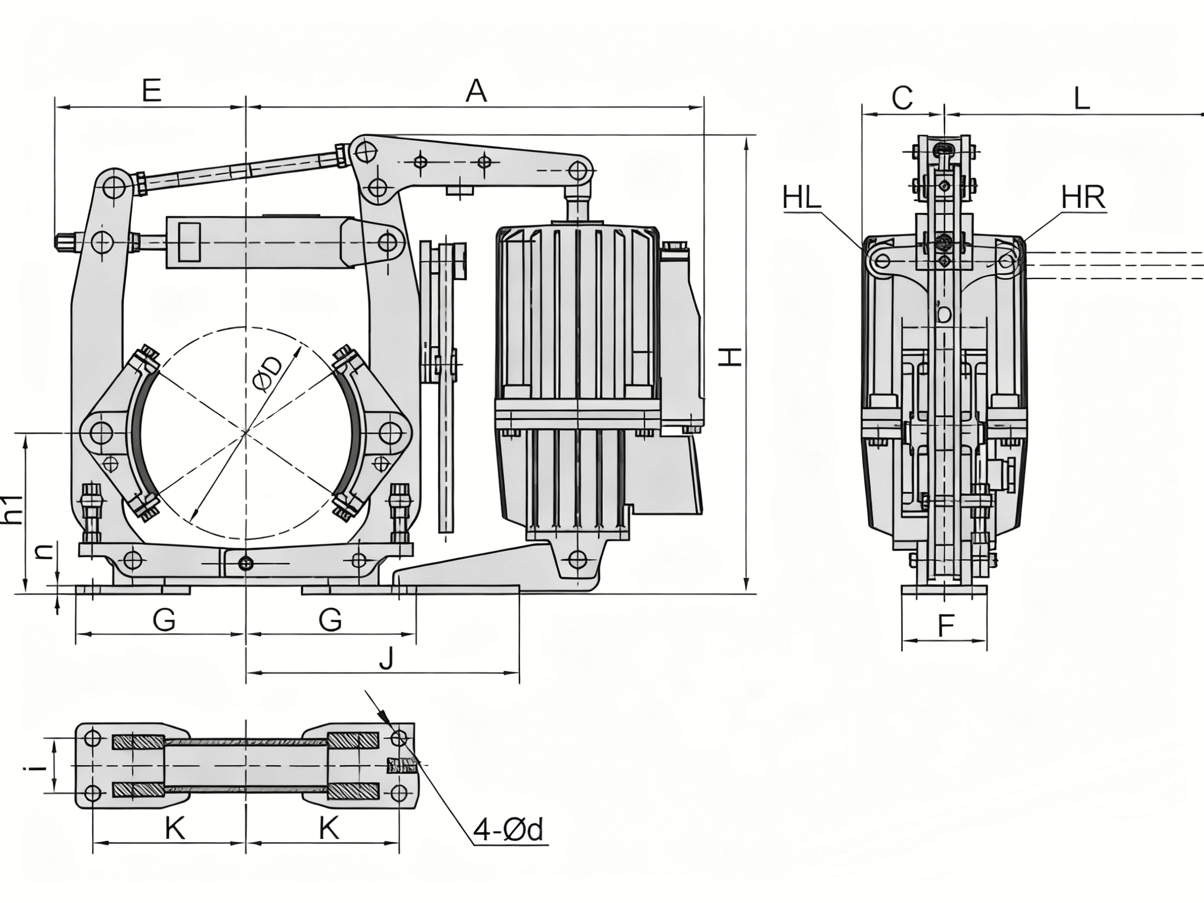
Brake type Thruster type  Brake torque

(Nm)

Dimensions (mm) Weight(kg)
D h1 k i d n b F G J E H L C
YWZB-200/30 YTD300-50 100~200 200 170 175 60 17 8 90 100 210 245 200 475 260 80 33
YWZB-300/30 YTD300-50 160~320 300 240 250 80 22 10 140 130 295 358 275 595 260 80 65
YWZB-300/50 YTD500-60 315~630 300 240 250 80 22 10 140 130 295 358 275 595 340 97 86
YWZB-400/50 YTD500-60 500~1000 400 320 325 130 22 12 180 180 350 420 350 745 450 97 111
YWZB-400/80 YTD800-60 800~1600 400 320 325 130 22 12 180 180 350 420 350 810 450 97 115
YWZB-400/125 YTD1250-60 1000~2000 400 320 325 130 22 12 180 180 350 420 350 810 450 120 133
YWZB-500/125 YTD1250-60 1250~2500 500 400 380 150 22 16 200 200 405 484 410 915 450 120 212
YWZB-600/200 YTD2000-120 2500~5000 600 475 475 170 27 20 240 220 500 590 500 1075 450 120 309
YWZB-700/200 YTD2000-120 4000~8000 700 550 540 200 34 25 280 270 575 760 550 1255 450 120 375
YWZB-800/200 YTD2000-120 5000~10000 800 600 620 240 34 28 320 310 660 860 700 1480 450 120 672
YWZB-800/300 YTD3000-120 6300~12500 800 600 620 240 34 28 320 310 660 860 700 1480 450 120 662

Product Features and Applications

Features:

Compact structure with high braking torque

Fast response for precise load control

Low noise and wear-resistant design

Compatible with various hoist brake types

Applications:

Crane hoist brake is widely used in industrial and transportation sectors, mainly used in various types of bridge cranes, gantry cranes, tower cranes, elevators, and other equipment control systems to ensure safe operation.

Product Details

1.Main hinge points come with self-lubricating bearings, ensuring efficient transmission and long service life—no lubrication needed during operation.

2.Interlocking brake shoe clearance balancer and auto-aligning device keep both sides’ shoe clearance consistent, no adjustment required, and completely prevent one-side brake lining from sticking to the brake wheel.

3.Non-asbestos brake pads use a clamping plug-in design, ensuring safety and reliability, with easy and quick replacement.

Product Support

Hanko Heavy Industry specializes in the design and production of crane components.  We are manufacturers of crane hoist brakes. All crane hoist brakes are made under strict ISO standards, with torque testing, dynamic balance verification, and overload inspection before delivery. Our hoist brake assemblies are widely used in EOT cranes, overhead cranes, and gantry cranes, ensuring long-term safety and stability.

Related Products

Complete Guide

About Hanko

Hanko products are manufactured using high-strength materials and go through strict quality inspections to ensure durability and operational safety.

We offer custom manufacturing services for non-standard parts based on customer drawings or specific requirements.

Our products meet international standards and are exported worldwide, earning the trust of clients across Asia, the Middle East, Europe, and beyond.

What are the common crane hoist brake types?
The main types include electromagnetic, drum, and hydraulic brakes used in different crane hoist brake systems.
Check for delayed response, noise, or reduced holding torque. Regular inspection prevents failure.
Yes, we offer custom crane hoist brake specifications based on torque and mounting requirements.
Absolutely. Our overhead crane hoist brakes are designed for heavy-duty and continuous industrial applications.

Send Your Inquiry Today

全局表单

Talk to an Engineer

全局表单